一、題目描述 :
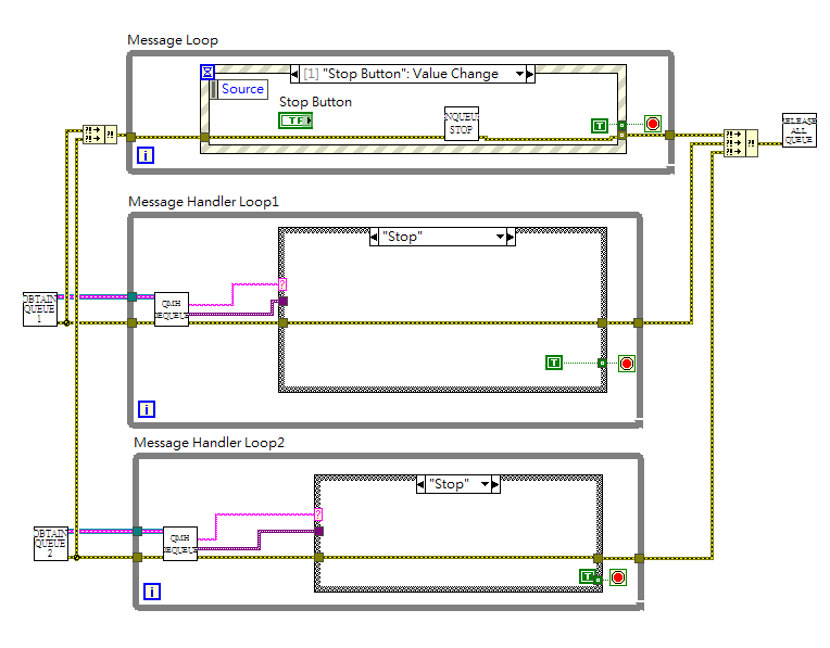
第一個迴圈扮演發送指令的角色 :
- Stop
- New Number
- New Time
- OK (兩數相加)
第二個迴圈
第三個迴圈
二、解題步驟 :
步驟1. 設計預設動作

步驟2. 設計停止動作

步驟3. 設計產生新數字與加總之動作

步驟4. 設計抓取現在時間之動作
三、化簡版
步驟1. 設計預設動作
步驟2. 設計停止動作
步驟3. 設計產生新數字之動作
步驟4. 設計抓取現在時間之動作
步驟5. 設計加總數字之動作
備註 :
若自行撰寫 Dequeue 子VI,記得要在該VI的設定中,進行以下設定,讓兩支Dequeue不會互搶資源。
---
#生產者與消費者
0 留言