labview
[LabVIEW程式技巧] 生產者與消費者基礎程式演練
<source : greatway9999>
生產者與消費者架構
如下圖所示,上迴圈生產、傳送資料 ; 下迴圈接收、處理資料。
目的是希望不要把所有事情都丟給Event Structure執行。因此,透過各個迴圈來進行分工。
範例 :
用Queue的方式在上迴圈產生資料。
上迴圈中設定3個事件 : New(重新執行)、Reset(歸零)、Stop(停止執行)
下迴圈接收到上迴圈資料後,乘上100,將值送出。
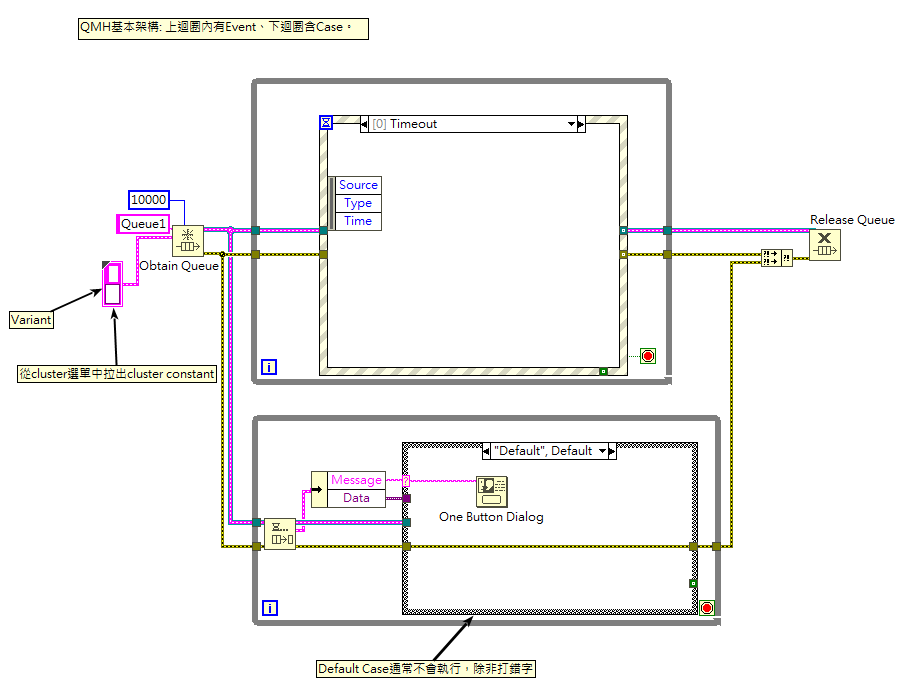
Queue Message Handler ,簡稱QMH
Message : 指令
Handler : 處理者
有些指令需要給資料,有些則否。資料型態有異。
Message Cluster就是指令 (動作)
Variant (萬用資料型態),作為data傳送的方式。
收到上迴圈傳來指令後,下迴圈會自己分拆成不同的動作,再傳給自己指令。
範例 :
完成圖
步驟1. Time Out & Default
步驟2. Stop
步驟3. New Number
步驟4. New Time
---
#ProducerAndConsumer
0 留言